SA24483ETLQ
Production
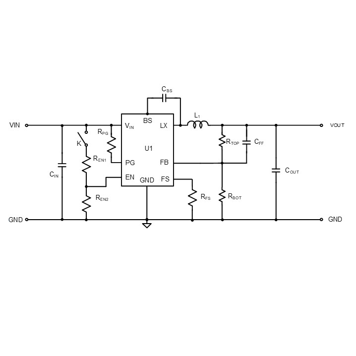
High Efficiency, 36V Input, 3A Synchronous Step Down Regulator
Evaluation Board

Photo of evaluation board
EVB_SA24483ETLQ
EVB_SA24483ETLQ is intended for evaluating high efficiency, 36V input, 3A synchronous step down regulator.
Technical Documentation
| Title | Date |
|---|---|
| Automotive_Solutions_Q1_2026 | 2026-03-06 |
| Silergy_Catalog_Q1_2026 | 2026-02-09 |




